欢迎来到三一文库! | 帮助中心 三一文库31doc.com 一个上传文档投稿赚钱的网站
三一文库
全部分类
  • 幼儿/小学教育>
  • 中学教育>
  • 高等教育>
  • 研究生考试>
  • 外语学习>
  • 资格/认证考试>
  • 论文>
  • IT计算机>
  • 法律/法学>
  • 建筑/环境>
  • 通信/电子>
  • 医学/心理学>
  • ImageVerifierCode 换一换
    首页 三一文库 > 资源分类 > DOCX文档下载
    分享到微信 分享到微博 分享到QQ空间

    钢结构工程开工报告钢构.docx

    • 资源ID:138214       资源大小:991.13KB        全文页数:82页
    • 资源格式: DOCX        下载积分:5
    快捷下载 游客一键下载
    账号登录下载
    微信登录下载
    三方登录下载: 微信开放平台登录 QQ登录 微博登录
    二维码
    微信扫一扫登录
    下载资源需要5
    邮箱/手机:
    温馨提示:
    快捷下载时,用户名和密码都是您填写的邮箱或者手机号,方便查询和重复下载(系统自动生成)。
    如填写123,账号就是123,密码也是123。
    支付方式: 支付宝    微信支付   
    验证码:   换一换

    加入VIP免费专享
     
    账号:
    密码:
    验证码:   换一换
      忘记密码?
        
    友情提示
    2、PDF文件下载后,可能会被浏览器默认打开,此种情况可以点击浏览器菜单,保存网页到桌面,就可以正常下载了。
    3、本站不支持迅雷下载,请使用电脑自带的IE浏览器,或者360浏览器、谷歌浏览器下载即可。
    4、本站资源下载后的文档和图纸-无水印,预览文档经过压缩,下载后原文更清晰。
    5、试题试卷类文档,如果标题没有明确说明有答案则都视为没有答案,请知晓。

    钢结构工程开工报告钢构.docx

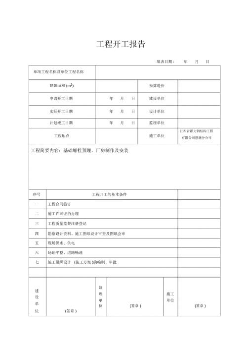
    1、工程开工报告填表日期 :年月日单项工程名称或单位工程名称建筑面积 (m2)预算造价申请开工日期年月日建设单位实际开工日期年月日设计单位计划竣工日期年月日监理单位江西省群力钢结构工程工程地点施工单位有限公司恩施分公司工程简要内容:基础螺栓预埋,厂房制作及安装序号工程开工的基本条件一工程合同签订二施工许可证的办理三工程质量监督注册登记四勘察设计资料、施工图纸设计审查及图纸会审五现场供水、供电六场地平整、道路畅通七施工组织设计(施工方案 )的编制、审批建监理施工设单单位单位(签章 )(签章 )位(签章 )技术交底记录工程名称交底地点生产技术部施工单位江西省群力钢结构工程有限公司年月日交底日期恩施分公

    2、司交底内容 :1、钢柱安装前 (对砼基础标高、轴线进行复测,其偏差在允许范围内 ,螺栓露出长度允许确差 +30.00mm,中心偏离 +5.00mm)。2、确定柱脚板的表面标高。3、钢柱进场安装后进行复测,检验垂直度 ,弯曲矢高复测轴线尺寸 ,控制在允许范围内。4、钢梁吊装前 ,用经伟仪校正其垂直度。5、高强螺栓连接按照规范进行,并在允许时间内进行终拧。6、主体结构安装后 ,应进行全面的油漆、涂刷、不得漏涂,少涂。7、墙板安装时 ,应用经伟仪校正其垂直度 ,屋面瓦安装时 ,檐口第一块瓦应与屋垂直。交底人 :接受人 :记录 :质量安全技术交底记录工程名称交底地点生产技术部施工单位江西省群力钢结构工

    3、程有限公司年月日交底日期恩施分公司交底内容 :1、现场安装人员必须戴安全帽、穿防滑鞋、系好安全带。2、对构件进场必须填写一式两份的材料报告单 ,要现场监理签字 (报验表应附有评定资料 ,出厂合格证 ,原材料质保书及复检报告 )。3、项目队伍进场 ,开工前必须向甲方或监理单位对施工组织设计、施工进度计划、施工机械设备进行报审,报审完毕 ,填写开工报告 ,申请开工。4、在吊装过程中应认真做吊装记录,及高强螺栓连接记录。5、对屋架吊装、高强螺栓连接、焊接、涂装等进行评定(填写评定表)。同时应该及时填写报验单进行报验及相应的验收记录表进行签字验收。6、施工应严格按照钢结构工程质量验收规范 (GB502

    4、052001)。既然要做到安全无事故又要做到质量满足顾客。交底人 :接受人 :记录 :产品合格证书工程名称 :使用单位 :完工日期 :年月日产品质量检查论:本证所列产品根据合同、图纸和技术要求,检验合格 ,准予出厂。质检部门负责人(签字 ):制造部经理 :(签字 ):质量检验专用章:签发日期 :工程进场材料报验清单工程名称致业主 (监理 ) :清单所列工程材料,经检验符合设计及有关规范要求,请批准使用。名 称规格单位数量生产厂家备注钢板5 tQ345B钢板8 tQ345B钢板10tQ345B钢板20tQ345B114 系杆3 tQ235BC 型钢2.5 tQ235B预埋件25tQ235B拉条1

    5、2tQ235B水平支撑22tQ235B高强螺栓20t45 号钢普通螺栓12-20 tQ235B彩钢瓦0.426 t油漆桶附件 :原材料质量证明书(复印件 )份。钢构件合格证份工程负责人 (签字 ):日期 :年月日审查意见 :审查结论 :业主 (监理 )工程师 (签章 )日期 :年月日钢结构 (零件及部件加工 )分项工程师报验申请表工程名称:编号 :致 ::我单位已经完成 钢结构 (零件及部件加工 )分项工程师 工作 ,现报上该工程报验申请 ,请予以审查和验收。附件 :钢结构 (零件及部件加工 )分项工程师质量检验评定表钢结构 (零件及部件加工 )分项工程师检验批质量验收记录(放样、号料、切割、

    6、制孔)承包单位 (章 ):项目经理 :章新岗日期:审查意见 :项目监理机构 :总 / 专业监理工程师:日期:钢结构 (零件及部件加工)分项工程检验批质量验收记录工程名称检验批部位柱配件施工单位江西省群力钢结构工程有限公司项目经理章新岗恩施分公司监理单位总监理工程师施工依据标准GB50205 2001 标准分包单位负责人主控项目合格质量标准施工单位检验评定监理 (建设 )单位验备 注(按规范 )记录或结果收记录或结果1材料进场第 4.2.1符合要求2钢材复验第 4.2.2符合要求3切面质量第 7.2.1符合要求4矫正或成型第 7.3.3符合要求第 7.3.15边缘加工第 7.4.1符合要求6螺栓

    7、球、焊接球加工第 7.5.1 和第 7.5.2/7制孔第 7.6.1/一般项目合格质量标准施工单位检验评(按规范 )定记录或结果1材料规格尺寸第 4.2.3和第 4.2.4条符合要求2钢材表面质量第 4.2.5符合要求3切割精度第 7.2.2条和第 7.2.3条符合要求4矫正质量第 7.3.3条和第 7.3.4条和符合要求第 7.3.5条5边缘加工精度第 7.4.2 条符合要求6螺栓球、焊接球加工精度第 7.5.3 条和/第 7.5.4 条7管件精度第 7.5.5 条符合要求8制孔精度第 7.6.2 条和/第 7.6.3 条合格主控项目合格,一般项目符合要求。施工单位检验评定结果班组长 :检验

    8、员 :或专业工长或项目技术负责人 :年月日年月日监理 (建设 )单位验收结果监理工程师(建设单位项目技术人员)年月日钢结构 (零件及部件加工)分项工程检验批质量验收记录工程名称检验批部位梁配件施工单位江西省群力钢结构工程有限公司恩施分公司项目经理章新岗监理单位总监理工程师施工依据标准GB50205 2001 标准分包单位负责人主控项目合格质量标准施工单位检验评定监理 (建设 )单位验备 注(按规范 )记录或结果收记录或结果1材料进场第 4.2.1符合要求2钢材复验第 4.2.2符合要求3切面质量第 7.2.1符合要求4矫正或成型第 7.3.3符合要求第 7.3.15边缘加工第 7.4.1符合要

    9、求6螺栓球、焊接球加工第 7.5.1 和第 7.5.2/7制孔第 7.6.1/一般项目合格质量标准施工单位检验评(按规范 )定记录或结果1材料规格尺寸第 4.2.3和第 4.2.4条符合要求2钢材表面质量第 4.2.5符合要求3切割精度第 7.2.2条和第 7.2.3条符合要求4矫正质量第 7.3.3条和第 7.3.4条和符合要求第 7.3.5条5边缘加工精度第 7.4.2 条符合要求6螺栓球、焊接球加工精度第 7.5.3 条和/第 7.5.4 条7管件精度第 7.5.5 条符合要求8制孔精度第 7.6.2 条和/第 7.6.3 条合格主控项目合格,一般项目符合要求。班组长 :检验员 :施工单

    10、位检验评定结果或专业工长或项目技术负责人 :年月日年月日监理 (建设 )单位验收结果监理工程师(建设单位项目技术人员)年月日钢零件及钢部件加工工程施工质量检查记录表工程名称 :构 件 :钢柱检验批号 :零部件 :配件项目检验要求主钢材的品种、型号、规格及质量应符合设计要求及有关标准规定符合要求控钢材切割面或剪切面应无裂纹、夹渣、分层和大于1mm 的缺棱符合要求项矫正和成型的环境温度及加热温度的控制符合要求目边缘加工的削量不应小于2.0mm符合要求制孔精度及孔壁表面粗糙度应符合相应A 、B、C 级孔的要求符合要求项目零件宽切割面割部缺棱边缘型钢端部度长度平面度深度缺棱垂直度允许偏 3.00.05

    11、r 且 200.31.0-差 (mm)切割实测偏1-0.30.5-差 (mm)机械 3.0-1.02.0一剪刀20.81.9钢板局部平面度 (mm)型钢弯曲角钢肢槽钢翼缘工字钢、弯曲成型般项目板对腹板H 型钢翼零件和弧T 6T=6 14T 14矢高垂直度垂直度缘板垂直度度检查允许偏差板宽 201.51.0L/1005.0肢宽翼缘宽 /80翼缘宽 /与栏板间隙小(mm)/1001002.0于 2.0项实测偏差1.20.51(mm)项目零件宽度、长度加工边直线度相邻两加工面加工面粗糙度边夹角垂直度目边允许偏差1.0L/300 2.0 60.025t50缘(mm)0.5加实测偏差1140.215工(

    12、mm)级 C项目允许偏差实测偏差螺栓孔孔距范围50050112013000(mm)(mm)12003000允许偏差1.0 1.5-级+1.000.5同一组内任意两(mm)直径螺孔间距离实测偏差1.00.5(mm)栓圆度2.01允许偏差1.5 2.0253孔相邻两组的端(mm)制垂直度孔间距离实测偏差1.2-12-2孔(mm)检主控项目检验 5 项,其中优 5 项,优良率 100%。查结一般项目实测 15 点,其中合格14 点,优良率 93%。果工程负责人工长施工单位班组长质量检查员日期钢零件及钢部件加工工程施工质量检查记录表工程名称 :构件 :钢梁检验批号 :零部件 :配件项目检验要求主钢材的

    13、品种、型号、规格及质量应符合设计要求及有关标准规定符合要求控钢材切割面或剪切面应无裂纹、夹渣、分层和大于1mm 的缺棱符合要求项矫正和成型的环境温度及加热温度的控制符合要求目边缘加工的削量不应小于2.0mm符合要求制孔精度及孔壁表面粗糙度应符合相应A 、 B、 C 级孔的要求符合要求项目零件宽切割面割部缺棱边缘型钢端部度长度平面度深度缺棱垂直度允许偏 3.00.05r 且 200.31.0-切割差(mm)实 测 偏1-0.30.5-差 (mm)一机械 3.0-1.02.0剪刀20.81.9钢板局部平面度 (mm)槽钢翼缘工字钢、弯曲成般项目型钢弯曲角钢肢H 型钢翼型零件板对腹板T6T=6 14

    14、T 14矢高垂直度缘板垂和弧度垂直度直度检查允许偏差板宽 201.51.0L/1005.0肢宽翼缘宽翼缘宽 /与栏板间隙小(mm)/100/801002.0于 2.0项实测偏差1.20.51(mm)项目零件宽度、长度加工边直线度相邻两边夹加工面垂加工面粗糙度角直度目边允许偏差 1.0L/300 2.060.025t50缘(mm)0.5加实测偏差1140.215工(mm)序检验项目实测值( mm)级 C项目允许偏差实测偏差5005011201 3000(mm)螺栓孔孔距范围12003000(mm)允许偏差级 1.01.5-+1.00同一组内任意两(mm)直径螺0.5实测偏差孔间距离1.00.5栓

    15、mm)孔圆度2.01允许偏差 1.52.0 253(mm)制相邻两组的端垂直度孔间距离实测偏差1.2-12-2孔(mm)检主控项目检验 5 项 ,其中优 5 项 ,优良率 100%。查结一般项目实测 15 点,其中合格 14 点,优良率 93%。果工程负责人班组长工 长质量检查员施工单位江西省群力钢结构工程有限公司恩施分公司日期放样、号料、切割的质量检验评定表施工单位: 江西省群力钢结构工程有限公司恩施分公司工程名称:部位:号1平行线距离和0.50.20.20.30.10.30.30.10.10.10.1放分 段 尺 寸样2和对角线差1.00000000000样3板宽度、长度(4样孔距杆)5

    16、 加工样板的角度6 零件外形尺寸号料7 孔距8 零件宽度、长度9 气 切割面平面度10割割纹深度11 局部缺口深度12 零件宽度、长度机械13 边缘缺棱剪切0.50.10000.1000000.50.10.10.10.10.10.10.10.10.10.12000000000001.00.50.50.50.50.50.50.50.50.50.50.50.10.10.10.10.10.10.10.10.10.13.02.02.02.01.02.02.02.01.02.02.00.05t且2.00.21.03.01.014型钢端部垂直度2.0允许偏差项目实测 140 点,其中合格140 点,合格率

    17、队 00%工程负责人:评定等级班组长:核定等级质检员:注: t 为切割面厚度年月日制孔分项工程质量检验评定表施工单位: 江西省群力钢结构工程有限公司恩施分公司工程名称:部位:保项目质量情况证项目螺栓孔应符合设计要求和有关标准符合设计要求和有关标准基质量情况等项目本级12345678910项目螺全孔的外观质量优允许偏差实测值( mm )项目(mm)12345678910螺A 、 B 级螺栓孔()类H 12 精度0.10.10.10.10.10.10.10.10.10.1栓直 径0, +1.00.50.50.50.50.50.50.50.50.50.5孔C 级螺栓孔园 度2.01111111111

    18、允孔许()0.03t径偏垂直度0.50.51.50.50.50.51.51.51.51.5且 2.0差 500 1.00000000000项同一组内任意目两孔间距离5011200 1.51111111111 500 1.51111111111相邻两组的端5001200 2.01.51.51.51.51.51.51.51.51.51.5孔间距离1203000 2.5222.52.52222.522 3000 3.02222222222检保证项目符合设计要求和有关标准验基本项目检验项,其中优良项,优良率%结果允许偏差项目实测项,其中合格项,合格率%评定工程负责人:核定质检员:等班组长:等级级钢构件

    19、组装分项工程报验申请表工程名称:编号:致:我公司已完成了钢构件组装分项工程工作,现报上该工程报验申请,请予以审查和验收。附件:钢结构(构件组装)分项工程检验批质量验收记录焊接实腹梁制作分项工程质量检验评定表承包单位(章):项目经理:章新岗日期:审查意见:项目监理机构:总/ 专业监理工程师:日期:钢结构(构件组装)分项工程检验批质量验收记录工程名称检验批部位柱施工单位江西省群力钢结构工程有限公司恩施分公司项目经理章新岗监理单位总监理工程师施工依据据标准GB50205 2001标准分包单位负责人主控项目合格质量标准施工单位检验评定监理(建设)单位备注(按规范)记录或结果验收记录或结果1吊车梁(桁架

    20、第 8.3.1条符合要求2端部铣平精度第 8.4.1条符合要求3外型尺寸第 8.5.1条符合要求一般项目合格质量标准施工单位检验评定记录(按规范)或结果1焊接 H 型钢接第 8.2.1条符合要求缝2焊接 H 型钢精第 8.2.2条符合要求度3焊接组装精度第 8.3.2条符合要求4顶紧接触面第 8.3.3条符合要求5轴线坡口精度第 8.3.4条符合要求6铣平面保护第 8.4.2条符合要求7外形尺寸第 8.4.3条施工单位检验评定结果班组长:或专业工长:年月日质检员:或项目技术负责人:年月日监理(建设)单位验收结论监理工程师(建设单位项目技术人员)年月日钢结构(构件组装)分项工程检验批质量验收记录工程名称检验批部位梁施工单位江西省群力钢结构工程有限公司恩施分公司项目经理章新岗监理单位总监理工程师施工依据据标准GB50205 2001标准分包单位负责人主控项目合格质量标准施工单位检验评定监理(建设)单位备注(按规范)记录或结果验收记录或结果1吊车梁(桁架)第 8.3.1条符合要求2端部铣平精度第 8.4.1条符合要求3外型尺寸第 8.5.1条符合要求一般项目合格质量标准施工单位检验评定记录(按规范)或结果1焊接 H 型钢接第 8.2.1条符合要求缝2焊接 H 型钢精第 8.2.2条符合要求度3焊接组装


    注意事项

    本文(钢结构工程开工报告钢构.docx)为本站会员(夺命阿水)主动上传,三一文库仅提供信息存储空间,仅对用户上传内容的表现方式做保护处理,对上载内容本身不做任何修改或编辑。 若此文所含内容侵犯了您的版权或隐私,请立即通知三一文库(点击联系客服),我们立即给予删除!




    宁ICP备18001539号-1

    三一文库
    收起
    展开